|
|
BMW 7 Series (E32) Service Manual:
|
|
The BMW Repair Manual: 7 Series (E32): 1988-1994 is the only comprehensive, single source of service information, technical specifications, and wiring schematics available specifically for the BMW 7 Series from 1988 to 1994. The aim throughout this manual has been simplicity, clarity and completeness, with practical explanations, step-by-step procedures and accurate specifications. Whether youre a repair professional or a do-it-yourself BMW owner, this manual will help you understand, care for and repair your E32 7 Series. New durable hardcover format - This BMW manual is now being published as a durable, long-lasting hardcover book designed to withstand many years of use in a professional shop or home garage. Though the do-it-yourself BMW owner will find this manual indispensable as a source of detailed maintenance and repair information, the BMW owner who has no intention of working on his or her car will find that reading and owning this manual will make it possible to discuss repairs more intelligently with a professional technician. BMW 7 Series models and engines covered by this BMW repair manual:
Transmissions covered:Automatic (remove, install, external service)
Manual (remove, install, external service)
Technical highlights:
Additional technical contentFor additional technical content for the BMW 7 series from model years 1988 through 1994, visit our online technical library by clicking below.
Online Technical Library Publishing note: Prior to February 2010, this book was published in a softcover edition (ISBN 978-0-8376-0328-5) |
020 Maintenance
See how to perform routine maintenance procedures, such as checking brake pad thickness.
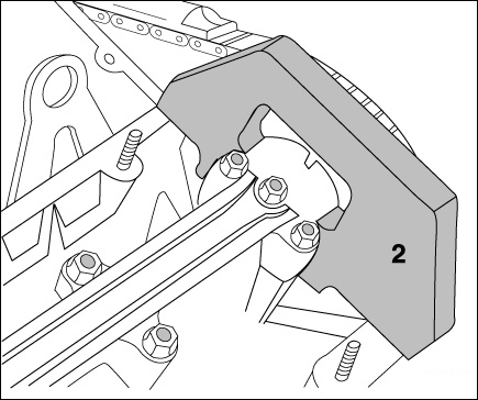
117 Camshaft Timing Chain
- Lock camshafts at TDC using BMW special tool 11 3 190 (2, one tool per cylinder head).
|
BSIN: B794
ISBN: 978-0-8376-1619-3 (ISBN-10)
ISBN: 978-0-8376-1619-3 (ISBN-13)
Permalink: http://www.bentleypublishers.com/c/B794
![[B] Bentley Publishers](http://assets1.bentleypublishers.com/images/bentley-logos/bp-banner-234x60-bookblue.jpg)





